Fórum témák
» Több friss téma |
Egyenlőre "csak" óra lesz , de majd meglátjuk mi fér még a 628 ba (most 70% a memóriafoglaltság) és még ki sem próbáltuk ... Viszont ha jó az alapötlet akkor erősebb piccel szinte bármit bele lehet majd tenni ...
A hozzászólás módosítva: Máj 1, 2025
A PIC16F873 -nak több ki és bemenet van és a programmemória 4K az EEPROM is nagyobb és 28 kivezetés.
Igen tudom Őt is szoktam használni , de ha elég a "kisbuta"akkor nem használok nagyobbat ...
Ebben egyetértek, hogy a kisebb tudásút, ha van belőle akkor egyszerűbb feladatokra inkább azt érdemes használni. Én például a 16F84-t használtam plazmavágó NF gyújtás vezérlésre. Nagyobb tudású pazarlás lenne.
Csak hogy tudjátok van ilyen is. SN49712 1-től 80-ig beállítható osztásarány. Például óraszámláló 24:1 -s osztás külső összekötések 4-14--15, 5-7-13, 10-12, 9-3. számláló bement 11 Kimenetek Egyesek: qa1,qb1, qc1, qd1. Tizesek: qa2, qb2
Perc számláló 60:1 osztó 4-14-15, 2-5-13, 9-3. Számláló bemenet 11 Kimenetek Egyesek: qa1,ab1,qc1,qd1. Tizesek: qa2,qb2,qc2 . Három darabbal megvalósítható az óra, perc, msp kijelzés
Én egy piccel megoldom , a kijelző kezelés változik attól függően mit használunk ...
A hetvenes években ilyeneket használtunk. Hol volt még akkor a PIC. A COCOM listás 8085 -l még játszottam Szerettünk TTL áramkörökkel tervezni az igazságtáblák használatával sok logikai feladatot meglehetett oldani, no és jó kis agytorna volt. Majd TTL IC-el megépítettük. Mikrogép nélkül. Ez nem teljesen igaz hiszen ott volt a Texas- TMS1000 -s sorozata amiket feladatokra maszkprogramoztak. De az másvilág. Az alap TTL ic-t könnyen belehetett szerezni ha egy ötletet akartunk kipróbálni megépíteni.
A mai mikrovezérlőkben is vannak TTL (CMOS) IC-k feladatait ellátó blokkok - csak több ezer szoftveres és akár hardver TTL blokkok is nagy tervezői szabadságot, programozható lábkiosztást és káoszt biztosítva
A hozzászólás módosítva: Máj 7, 2025
A mikrogépekben lévő TTL blokkok nem ugyanazok mint az egyedi logikai kapuk. Sokkal kötöttebbek és külön programozni kell. A hagyományos TTL az egy huzalozott tervezés ennél fogva a "szoftvert" maga a kapuk összeállítása és huzalozás adta. Ha több funkciós volt az áramkör azaz nem csak egy feladatott látott el akkor jött az agyalás, hogy a meglévő kapukkal vagy esetleg némi kiegészítéssel az új funkció ellátására is alkalmas legyen és kiválasztható a két vagy több mód.
A hetvenes,nyolcvanas években én is végig jártam a ttl 74xx útját .Akkor az volt az "elektronika" meg az ac-oc tranzisztorok két forintért .....
"programozható lábkiosztást és káoszt biztosítva "
Anno volt valami uC (cca. 30 éve), amiben valami bazinagy mátrix is volt meg PLA (ez asszem valamelyik PIC-ben is van...). Ott tényleg a lábbekötést is én adhattam meg, de kihalt, ott lehetett igazi káoszt csinálni. A uC-ben lévő PLA sziget azért nagyon jó tud ám lenni az alap TTL-el szemben, mert "minden egy fő órajelhez van szinkronozva" illetve alapban összeköti, de a ki-bemenetek nem lesznek clitch-esek, ami vicces tud lenni egy TTL hálózatnál. Talán 31 évvel ezelőtt csináltam az utolsó TTL készüléket (kosárlabdagép vagy mi), azóta, most is azt mondom, már minden szoftver (főleg, ha jönnek, hogy "jó-jó, de nem így gondoltuk, meg belefér-e ez+az, nem kell forrasztgatni meg külön TTL-t betenni valahova...néha ránézek, 2mm vastag por van a TTL dobozokban) De még most is elcsodálkozom, milyen IC-ket gyártottak (lásd az említett 49-es sorozat, Motorola meg aztán szórta az SSI, MSI cuccait, most is szenvedés helyettesíteni).
Nem csak AC-OC tranzisztorok voltak. Előerősítőknek a BC sorozatot, erősítőkben BCY88 és egyéb kapcsolásokban a BC 300- és komplementeri sorozat. Vagy a BFY33 -46 stb na és persze a 2N kis, közepes és nagy teljesítményű tranzisztorok. Tény olcsók voltak. Az Ezermester boltok jól el voltak látva de az EMO- val szinte mindent belehetett szerezni és olcsón. Voltak a Rádió klubok, ott meg ingyen kaptuk, persze nem korlátlanul. .. A Honvédség finanszírozta.
Ilyen kuszaságokat ma is lehet csinálni. Lásd pl. FPGA (és elődjei, rokonai) vagy az újabb PIC mikrokontrollerek esetén a PPS funkciót. Nekem inkább áldás az utóbbi, nagyban lehet egyszerűsíteni a NYÁK tervet.
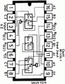
Szia! Újra aktuális lett a téma. A segítséged/segítségek alapján meg is csináltam a kapcsolási rajzot, működik is Tina-ban, tranziens módban futtatva szimulálja is a számlálást, az ütemadó frekvenciája is 1kHz, azaz megfelelő. Ami a rajzon nincs feltüntetve, a 100nF kondenzátorok, amiből tettem minden IC VCC és GND lábai és az 5V/GND tápsín közé egyet-egyet. A közös-anódos 7 szegmenses kijelző 1 és 5 lába a common láb, mindkettőt a +5V-os tápsínre kötöttem be.
Össze is raktam próbapanelen, hogy kipróbáljam. Azonban csak egy '4'-es szám jelent meg az utolsó 7-szegmens kijelzőn és semmi egyéb a start/stop gomb nyomására. A nullázó gomb megnyomására pedig minden kijelző "üres" kijelzésű lett. Megmértem a paneleken a tápsínen a feszültséget, de nincs meg az 5V (csak 3,9V), pedig a labortápon pontosan be lett állítva. A kapcsolásban lenne a hiba? Vagy a paneleken? A paneleken 2x ellenőriztem az összedugást, de attól még lehet azzal a baj.
Ó azok a szép idők... még a nagyok sem tartalmaztak nagybonyolultságú IC-ket, csak TTL, és mechanika. Egy R20-as mellett karbantartó technikusként kezdtem a pályafutásomat a BHG-ban a 80-as évek közepén. Ment a fejvakarás amikor nem tipikus elektronikai hiba volt valamelyik egységben. Élvezetes volt a hibakeresés. A mai napig van egy tábla bontott feritgyűrűs memóriatáblám. Ha a környezeti hőmérséklet 1C megemelkedett már jöttek a piroslámpás hibajelzések, már amire volt, de a leggyakoribb a paritáshiba volt.
Ha a labortápon 5V van, a kijelzőkön 3,9 ott vagy vezeték keresztmetszet hiba van, vagy súlyos elkötés. Ha a labortápon beállítottál 5V-ot, utána a kijelzőket rátetted, ellenőrizted újra a táp feszültségét? Ezek a kijelzők elég sokat fogyasztanak, kisebb tápot gyorsan áramgenerátoros módba kergetik.
Hello! Pontosan így van, ahogy Proba írja. A tápot nem lehet oda vezetni, ezekkel a kínai vékony drótokkal. Ez TTL Ic, ahol kötelező, az 5V-os tápfesz. Feltehetően a BI bemenet alacsony szintje tiltja le a kijelzést. 3,9V-nál, már a sima 555 is nyögve dolgozik.
Jobban jász, ha nem láncolod a tápot, hanem minden dugipanelhez külön-külön viszed a táptól. Az sem korrekt, de jobb eredményt ad. Működésnél pedig megnézheted, hogy "mi működik, vagy mi nem". Talán legegyszerűbb, ha egy kis hangszóróval sorba kötsz egy 470 ohm-os ellenállást, és a GND-hez képest azzal tapizod meg a kimeneteket. (Mert gondolom szkópod nincs.) Mivel az 555 1kHz-ről működik, azt remekül lehet hallani, és a 72390 kimeneteit sorba meghallgathatod. Az alacsony frekvenciás kimenetek működését 10Hz alatt, pedig egy soros Led+470 ohm segítségével láthatod is.
Egyébként a képet nézegetve, az tűnt fel, hogy hogyan sikerült így a 330 ohm-okat a panelre dugni? Hiszen egyik vége az 47-es lábára megy, a másik, meg a kijelzőre? Az Ic láb felett mind a 4 bekötőpont az Ic lábra csatlakozik. Ha oda dugtad, akkor az ellenállás zárlatban van. Ha meg a felette lévő tápsínre, akkor meg a felső pontjuk, mind a tápon van. Akkor meg a kijelző Led-ek vannak zárlatban. Nem csoda ha nincs kijelzés.
Huhh, köszi az észrevételt, jól kiszúrtad. A 7-szegmens kijelzők 'g' lábai a tápon illetve az első a földön vannak. Figyelmetlen voltam, és gépiesen elkezdtem felkötögerni a 47-es kimenő lábait a tápra
![]() Jogos, hogy így zárlatban vannak a ledes kijelzők. Ezt mindenképpen javítom, illetve a dugaszpaneleket is külön-külön fogom megtáplálni. Utána ha gond van, mehet a hangszórós vizsgálat... TIL306 reakcióidő-mérőSzia! Akkor itt folytatom a kérdéseimet. A kapcsolás, amit itt ismertettél, a kapcsolók működtetését váltja ki? Vagy az IC2; IC3 és alkatészeik is helyettesítve vannak ezzel?
Hello! Igen kiváltja a kapcsolókat a relét. Az IC2 NE555 rajta van, az IC3-ra pedig nincs szükség.
|
Bejelentkezés
Hirdetés |













